to top
2 آموزش درج آگهی فروش کارخانه
1 ماه پیش 279
2 تبلیغ فیلم صنعتی  در ایران کارخانه
1 ماه پیش 209
2 فروش دستگاه در ایران کارخانه
1 ماه پیش 265
1 مجوز واردات بیل کوماتسو 200
3 هفته پیش 396
1 ساخت انواع  اکسترودر گرانول ساز
1 ماه پیش 1267
1 دیگ های بخار
ماشین آلات صنعتی

دیگ های بخار

1 ماه پیش 293
1 دیگ  بخار  آب گرم   روغن داغ
1 ماه پیش 257
1 دیگ بخار 3 تن / آذر استیل فن آوران
1 ماه پیش 207

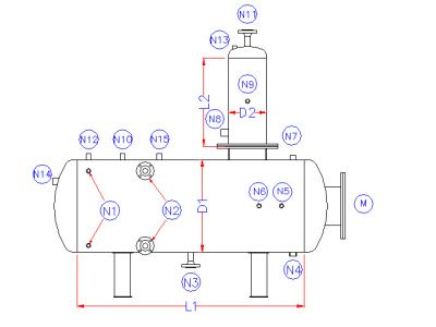
فروش دی اریتور (Deaerator)

فروش دی اریتور (Deaerator)

دی اریتور یا هوازدا بمنظور پیش گرم نمودن آب ورودی دیگ و حذف گازهای نامحلول اکسیژن و دی اکسید کربن مورد استفاده قرار می گیرد. در دیگهای بخار توصیه می گردد جهت جلوگیری از پدیده شوک حرارتی در بویلرها همواره از وارد نمودن آب با دمای پایین به داخل دیگ پرهیز گردد زیرا این عمل علاوه بر کاهش راندمان و ظرفیت بخار دهی دیگ در اثر تماس متناوب آب سرد با سطوح گرم انتقال حرارت، از عمر لوله ها و کوره می کاهد. هم چنین از آنجا که اکسیژن محلول در آب همواره از عوامل خورنده سطوح انتقال حرارت در بویلرها می باشد لذا توصیه می گردد با افزایش دمای آب ورودی به داخل دیگ از این اکسیژن کاسته شود. هر چه گاز دی اکسید کرین موجود در آب بیشتر شود PH آب دیگ کاسته شده و محیط خاصیت اسیدی پیدا می کند که این خود یکی از عوامل افزایش سرعت خوردگی در بویلرها خواهد بود. بمنظور تقلیل گازهای نامحلول در آب می توان با افزایش دمای آب میزان حلالیت را به میزان قابل قبولی کاهش داد. میزان حلالیت گازهای در آب با دما رابطه معکوس دارد. هرچه دمای آب دی اریتور به 100 درجه سانتیگراد نزدیکتر باشد میزان گازهای محلول در آب به 0 PPm نزدیکتر می شود. بمنظور افزایش دمای آب دی اریتور از بخار تولیدی دیگ استفاده می کنند. بدین معنی که بخشی از بخار دیگ را متناسب با ظرفیت دی اریتور، میزان کندانس برگشتی و آب تغذیه جایگزین شده ، پس از تقلیل فشار به قسمت پایین برجک دی اریتور وارد می کنند همچنین آب ورودی از مخزن کندانس را از نازل بالای برجک بر روی سینی های انتقال حرارت و انتقال جرم درون برجک می ریزند. آب از سمت بالا بر روی سینی ها ریخته و بخار از سمت پایین به بالا حرکت نموده( جریان معکوس) و در روی سینی ها فرایند انتقال جرم و انتقال حرارت انجام می شود به عبارت ساده تر پس از عبور آب از روی سینی ها دمای آن بالا رفته و گازهای نامحلول آن کاسته می شود. در روی بدنه مخزن دی اریتور نیز یک عدد نازل بخار پیش گرمکن در نظر گرفته شده که در مواقع اضطراری و زمانهایی که دمای آب دی اریتور بصورت ناگهانی ناشی از افزایش بخار مصرفی از بویلر کاهش یافت با تزریق مستقیم بخار به درون مخزن بتوان دمای آب را تا حد قابل قبول افزایش داد. این مخازن، طبق استاندارد مخازن تحت فشار ASME SEC.8 Div.1 طراحی، ساخت و تست می گردند.

قیمت فروش دی اریتور (Deaerator)

توافقی

آدرس


شماره آگهی: 5201

تماس
چت
پیامک

تاریخ به روزرسانی: 2 سال پیش

شماره همراه

09190555510

مشخصات آگهی دهنده:



2 فروش دستگاه در ایران کارخانه
1 ماه پیش 265
1 مجوز واردات بیل کوماتسو 200
3 هفته پیش 396
1 دیگ  بخار  آب گرم   روغن داغ
1 ماه پیش 257
1 دیگ بخار 3 تن / آذر استیل فن آوران
1 ماه پیش 207
1 ساخت انواع  اکسترودر گرانول ساز
1 ماه پیش 1267
1 پمپ بتن 42 متری شوئینگ
3 هفته پیش 193
1 واردات بیل مکانیکی و لودر
3 هفته پیش 550
دریافت مشاوره در زمینه ماشین آلات صنعتی
مشاوره ماشین آلات صنعتی
loader

لطفا شکیبا باشید ...